Offizielles Hatz-Forum für Hatz-Traktoren und Hatz-Motoren

Hatz-Schrauber treffen sich  -  entstanden mit Erlaubnis der Firma Hatz -    T13, T16, T26, T32, TL10, TL12, TL22, TL15, TL18, TL33, TL12P, TL13, TL17, TL24, TL11, TL25, TL28, TL38, H113, H220, H222, H332, H340
Aktuelle Zeit: Mi 15. Okt 2025, 07:59

Alle Zeiten sind UTC + 1 Stunde




Ein neues Thema erstellen Auf das Thema antworten  [ 13 Beiträge ]  Gehe zu Seite 1, 2  Nächste
Autor Nachricht
 Betreff des Beitrags: Hatz E75 Regler
BeitragVerfasst: Di 26. Feb 2013, 22:06 
Offline

Registriert: Mo 25. Feb 2013, 19:20
Beiträge: 36
Welchen Hatz-Traktor habt Ihr?: Hatz E75
Ich hätte mal eine Frage an euch, vll. kann mir ja jemand weiterhelfen.

Wie oben beschreiben hab ich einen Hatz E75 Motor gekauft.
Der Motor läuft soweit wieder, allerdings hat er kein vernünftiges Standgas.
Das bewegte mich dazu den Frontdeckel abzuschrauben und mir den Regler genauer zu betrachten.
Dabei viel mir auf,
das die Zugfeder die unten an der "Schleifgabel"
und oben am Gashebel des Reglers befestigt ist merkliches Spiel hat.
Muss das so sein?
Meiner Meinung nach sollte die immer auf Zug gehalten werden?

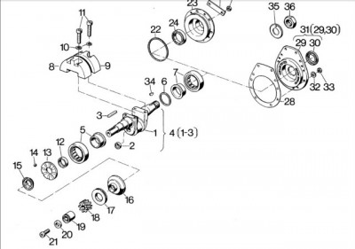
Zur Verdeutlichung nochmal ein Bild: die Feder ist Bauteil 24
Dateianhang:
E75 Regler~1.jpg
E75 Regler~1.jpg [ 75.01 KiB | 22300-mal betrachtet ]

Gruß
Martin


Nach oben
 Profil Private Nachricht senden  
 
 Betreff des Beitrags: Re: Hatz E75 Regler
BeitragVerfasst: So 10. Mär 2013, 17:51 
Offline

Registriert: Mo 25. Feb 2013, 19:20
Beiträge: 36
Welchen Hatz-Traktor habt Ihr?: Hatz E75
So, ich denke mal das ich den Fehler gefunden habe,
genaueres kann ich erst sagen nachdem ich den Motor wieder zusammen hab.
Entlacken, Grundieren und Lackieren dauert nunmal. :mrgreen:

Falls jemand ein ähnliches Problem haben sollte hier der Ansatz zur Lösung.
Dateianhang:
Kurbelwelle~1.jpg
Kurbelwelle~1.jpg [ 48.58 KiB | 22250-mal betrachtet ]

Bei mir hing die Reglerglocke (16) auf dem Kurbelwellenzapfen fest,
war ne Mischung aus altem Fett und Schmodder.
Nachdem das beseitigt war, lief das Teil förmlich wie neu.


Nach oben
 Profil Private Nachricht senden  
 
 Betreff des Beitrags: Re: Hatz E75 Regler
BeitragVerfasst: Mi 6. Nov 2013, 22:29 
Offline

Registriert: Do 24. Okt 2013, 19:55
Beiträge: 4
Hallo zusammen,

so mein erster Beitrag:
Ich hab das gleiche Problem an meinem Hatz E79.
Er läuft einwandfrei, jedoch geht er im Leerlauf immer aus.
Ich habe die Reglerglocke überprüft, konnte jedoch kein Widerstand feststellen.
Neber dem Gashebel sind zwei weitere Madenschrauben, dessen Funktionen mir nicht ganz klar sind.
Ich Hoffe mir kann bald jemand helfen.
Vielen Dank schon mal im Voraus.

Gruß Alex


Nach oben
 Profil Private Nachricht senden  
 
 Betreff des Beitrags: Re: Hatz E75 Regler
BeitragVerfasst: Do 7. Nov 2013, 09:08 
Offline

Registriert: Mo 25. Feb 2013, 19:20
Beiträge: 36
Welchen Hatz-Traktor habt Ihr?: Hatz E75
Das dürften die Schrauben sein um die mehrmengenregelung für den Kaltstart zu halten.
Die sitzen paralel zur Zugrichtung vom Knopf,
an der vorderen gekonterten Madenschraube wird die Drehzahlbegrenzung eingestellt.


Nach oben
 Profil Private Nachricht senden  
 
 Betreff des Beitrags: Re: Hatz E75 Regler
BeitragVerfasst: Do 7. Nov 2013, 13:54 
Offline

Registriert: Do 24. Okt 2013, 19:55
Beiträge: 4
Vielen Dank für die schnelle Antwort.
Hast du vielleicht eine Idee wegen der zu niedrigen Leerlaufdrehzahl?

Gruß Alex


Nach oben
 Profil Private Nachricht senden  
 
 Betreff des Beitrags: Re: Hatz E75 Regler
BeitragVerfasst: Fr 8. Nov 2013, 09:08 
Offline

Registriert: Mo 25. Feb 2013, 19:20
Beiträge: 36
Welchen Hatz-Traktor habt Ihr?: Hatz E75
Was mir jetzt als logisch erscheint ist,
das die Einspritzpume nicht nachregelt.
Bzw. der eigentliche "Verstellhebel" zu schwer geht.
Dafür müssrest du Esp für ziehen um das zu kontrollieren.
Aber wie gesagt das ist eine reine Vermutung.


Nach oben
 Profil Private Nachricht senden  
 
 Betreff des Beitrags: Re: Hatz E75 Regler
BeitragVerfasst: Di 12. Nov 2013, 15:41 
Offline

Registriert: Do 24. Okt 2013, 19:55
Beiträge: 4
Also den Schieber an der Esp kann man ohne Probleme hin und her bewegen.
Bin gerade dabei alles wieder zusammen zu bauen. Wie hast du den die Abdeckung an der Nockenwelle mit den 2 Lagern drauf bekommen?
Also hattest du dazu ein spezielles Werkzeug?


Nach oben
 Profil Private Nachricht senden  
 
 Betreff des Beitrags: Re: Hatz E75 Regler
BeitragVerfasst: Mi 13. Nov 2013, 12:24 
Offline

Registriert: Mo 25. Feb 2013, 19:20
Beiträge: 36
Welchen Hatz-Traktor habt Ihr?: Hatz E75
Du must den Deckel warm machen,
wenn das Lager noch im Deckel ist,
darfst du das lager nicht zu heiß machen.
Sind Anlauffarben erkennbar, isses zu heiß.
Dann ist ein neues Lager fällig.
Ca. 100 C° sind ideal.
Wenn du es richtig machst, kannst du den Deckel
einfach von Hand draufschieben.


Nach oben
 Profil Private Nachricht senden  
 
 Betreff des Beitrags: Re: Hatz E75 Regler
BeitragVerfasst: Mo 13. Jan 2014, 19:22 
Offline

Registriert: Do 24. Okt 2013, 19:55
Beiträge: 4
Es hat funktioniert!
Vielen, vielen Dank für deine Hilfe.


Nach oben
 Profil Private Nachricht senden  
 
 Betreff des Beitrags: Re: Hatz E75 Regler
BeitragVerfasst: Sa 24. Mai 2025, 10:41 
Offline

Registriert: Fr 23. Mai 2025, 20:14
Beiträge: 2
Welchen Hatz-Traktor habt Ihr?: Hatz E75 auf Wacker Rüttelplatte
zündfix hat geschrieben:
Ich hätte mal eine Frage an euch, vll. kann mir ja jemand weiterhelfen.

Wie oben beschreiben hab ich einen Hatz E75 Motor gekauft.
Der Motor läuft soweit wieder, allerdings hat er kein vernünftiges Standgas.
Das bewegte mich dazu den Frontdeckel abzuschrauben und mir den Regler genauer zu betrachten.
Dabei viel mir auf,
das die Zugfeder die unten an der "Schleifgabel"
und oben am Gashebel des Reglers befestigt ist merkliches Spiel hat.
Muss das so sein?
Meiner Meinung nach sollte die immer auf Zug gehalten werden?

Zur Verdeutlichung nochmal ein Bild: die Feder ist Bauteil 24
Dateianhang:
E75 Regler~1.jpg

Gruß
Martin



Hallo zusammen,

ich habe ein ähnliches Problem, zumindest an der gleichen Stelle:
Nach einem Lagerschaden musste ich eine neue Kurbelwelle in meinen E75 einbauen. Das hat bisher auch alles ganz gut geklappt, alle Lager sitzen wieder so wie sie sollen.
Nun müsste ich aber eigentlich die Achse (18) der Gabel (22) ausbauen um letztere wieder einbauen zu können. Hat jemand vielleicht schon mal das gleiche machen müssen und einen Lösungsvorschlag, wie ich die Achse aus dem Kurbelgehäuse herausbekomme? Erwärmen habe ich schon erfolglos versucht.
In der Achse befindet sich ein M6 Gewinde. Ist dies gedacht zum ausziehen?
Für hilfreiche Tips wäre ich sehr dankbar.

Viele Grüße aus dem Sauerland


Nach oben
 Profil Private Nachricht senden  
 
Beiträge der letzten Zeit anzeigen:  Sortiere nach  
Ein neues Thema erstellen Auf das Thema antworten  [ 13 Beiträge ]  Gehe zu Seite 1, 2  Nächste

Alle Zeiten sind UTC + 1 Stunde


Wer ist online?

Mitglieder in diesem Forum: 0 Mitglieder und 6 Gäste


Du darfst keine neuen Themen in diesem Forum erstellen.
Du darfst keine Antworten zu Themen in diesem Forum erstellen.
Du darfst deine Beiträge in diesem Forum nicht ändern.
Du darfst deine Beiträge in diesem Forum nicht löschen.
Du darfst keine Dateianhänge in diesem Forum erstellen.

Suche nach:
Powered by phpBB® Forum Software © phpBB Group
Deutsche Übersetzung durch phpBB.de
© Hatz-Forum, 2004 - 2025 | Datenschutzerklärung - Impressum